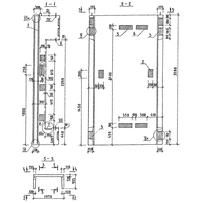
Шахта лифтовая БШЛ 100-30 п-3 представляет собой железобетонный блок, предназначенный для установки в лифтовых шахтах. Шахта лифтовая БШЛ 100-30 п-3 обеспечивает безопасную эксплуатацию лифтов и защищает от пожара и других чрезвычайных ситуаций.
Шахта лифтовая БШЛ 100-30 п-3 применяется в строительстве жилых и коммерческих зданий, а также в индустриальных объектах. Изделие идеально подходит для установки в лифтовых шахтах любых типов и размеров. Шахта лифтовая БШЛ 100-30 п-3 обеспечивает надежную защиту лифтового оборудования и обеспечивает безопасность пассажиров и персонала здания.









